
功能特点:超低温油气混合0至-10度降温,可替代普通喷雾器加酒精降温,安全环保/低噪音/低耗气量/无需用电经济节能/雾化精细/强大的吹除力/快速冷却/润滑效果佳。
应用范围:广泛应用于汽车制造,冶金,注塑机模具冷却,钢铁,机械加工行业干加工与半干加工,对零件表面要求高的精加工. 如:高光机,精雕机,车床,钻床, 铣床 ,攻丝机, CNC机床, 冲床, 五金冲压模具等进行快速冷却, 润滑,吹除铁屑。
材质:铝合金&不锈钢 (特殊材质可以定制)
本公司研发生产销售各种型号的超低温喷雾润滑器,标准型号见下表.如有特殊规格尺寸的可以根据客户需求定制加工. 我们将为客户提供免费设计. 欢迎随时联系.



超低温润滑喷雾器:
功能特点:超低温油气混合0至-10度降温,可替代普通喷雾器加酒精降温,安全环保/低噪音/低耗气量/无需用电经济节能/雾化精细/强大的吹除力/快速冷却/润滑效果佳。
应用范围:广泛应用于汽车制造,冶金,注塑机模具冷却,钢铁,机械加工行业干加工与半干加工,对零件表面要求高的精加工. 如:高光机,精雕机,车床,钻床, 铣床 ,攻丝机, CNC机床, 冲床, 五金冲压模具等进行快速冷却, 润滑,吹除铁屑。
材质:铝合金&不锈钢 (特殊材质可以定制)
本公司研发生产销售各种型号的超低温喷雾润滑器,标准型号见下表.如有特殊规格尺寸的可以根据客户需求定制加工. 我们将为客户提供免费设计. 欢迎随时联系.

外形结构尺寸:
A款(内置调温阀)

B款(外置调温阀)

C款(外置调温阀)

超低温润滑喷雾器规格型号参数:

可按照客户需求免费提供专业订制服务
备注:超低温润滑喷雾器标准万向软管长度约为330mm. 如需订制请联系客服!
超低温润滑喷雾器油箱型号参数:

AIRSTE油箱尺寸结构图:

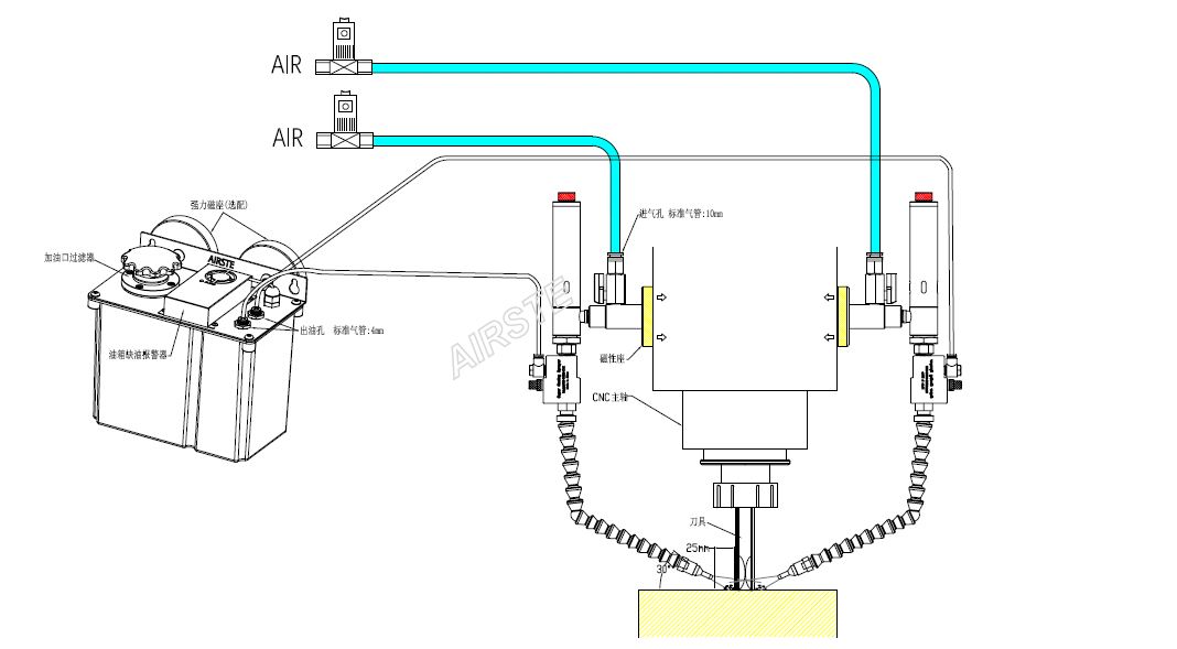
AIRSTE超低温润滑喷雾系统工作简图:

AIRSTE超低温润滑喷雾器优势特点:
AIRSTE超低温润滑喷雾器是应用超低温冷空气(-20度)与油混合后雾化喷出, 喷射至加工零件及刀具轴承等润滑区域. 从而达到冷却降温, 润滑,除去铁屑,清洁及其延长刀具使用寿命等作用,确保零件表面质量。喷嘴&调节阀都是采用不锈钢材质加工,所有气管接头/万向管都是采购知名品牌. 具有高品质,使用寿命长,性能安全可靠,低噪音,低能耗,喷雾精细,喷雾大小可调,其产品在国内外企业加工行业大量使用。
A.低耗气量,低耗油量,低噪音,安全经济环保
B.-20度超低冷空气,快速降低刀具与零件温度
C.气流均衡,雾化精细,超强吹扫力,快速冷却降温,提零件表面质量
D.无活动部件,超长使用寿命. 可在高低温环境工作
E.提高加工速度,节省加工时间及成本并减少刀具磨损
F.安装简便,免维护,无电磁辐射, 无爆炸危险
AIRSTE超低温润滑喷雾器环境应用:
·适应于零件精加工&半干加工
·适应于电木板,亚克力材质加工, PCB材质钻孔加工
·适应于手机外壳高光机倒角加工
·适应于CNC加工黄金戒子,黄铜,铸铁等
·适应于冷却润滑挤压成型的零件
·高光机,精雕机,车床,钻床, 铣床 ,攻牙机, CNC机床, 冲床, 五金冲压模具等进行快速冷却, 润滑,吹除铁屑

备注:详细选型请咨询我司客服!